产品详情
| 产品料号 | CPG151101D214 | |
| 额定负荷 | DC12V10mA | |
| 接触阻抗 | 100mΩMax | |
| 绝缘阻抗 | 100MΩMinDC500V | |
| 耐电压 | AC100V(50-60HZ)for1Minute | |
| 触感力 | 50±10gf | |
| 动作力 | 50±10gf | |
| 触发行程 | 1.1±0.3mm | |
| 全行程 | 3.5+0/-0.3mm | |
| 机械寿命 | 70,000,000Cycles | |
| 使用温度 | -20℃-+70℃ | |
| 耐候性能 | ||
| 耐寒性 | -20℃±2℃ | 96H 48H |
| 耐热性 | 70℃±2℃ | 96H 48H |
| 耐湿性 | 60℃±2℃90~95%RH | 96H 48H |
外形图

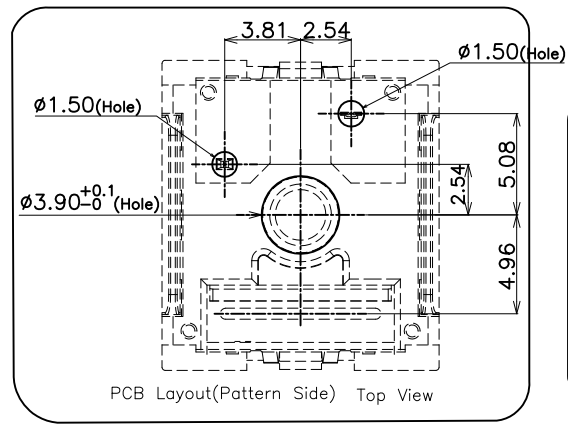
PCB设计图

电路图

| 包装规格 | ||
| 包装数(PCS) | 1盒 | 1000PCS |
| 1箱 | 4000PCS | |
| 波峰自动焊接条件 | ||
| 项目 | 预热温度 | 100±5℃ |
| 预热时间 | 60S(max.) | |
| 焊接温度 | 260±5℃ | |
| 焊接时间 | 3±0.5S | |
| 手工焊接条件 | ||
| 焊接温度 | 350℃±10℃ | |
| 焊接时间 | 3S±0.5S | |
| 烙铁功率 | 20W(max.) | |
| 注意事项: |
| 1.本产品目录中产品的颜色与实物的颜色有所差异 |
| 2.请使用1.6mm板厚的印刷电路板 |
| 3.请以最小订购单位的N(整数)倍来订货 |
| 4.汽车用时,请进行确认后使用 |
产品一览
| 产品编号 | 图片 | 手感类型 | 动作力 | 触发行程 | 全行程 | 寿命 | 规格书 | 备注 |
| CPG151101D211 | 有声段落 | 50±10gf | 1.4±0.3mm | 3.5±0.3mm | 70,000,000Cycles | |||
| CPG151101D212 | 线性 | 40±10gf | 1.1±0.3mm | 3.5±0.3mm | 70,000,000Cycles | |||
| CPG151101D213 | 段落 | 40±10gf | 1.1±0.3mm | 3.5±0.3mm | 70,000,000Cycles | |||
| CPG151101D214 | 有声段落 | 50±10gf | 1.1±0.3mm | 3.5±0.3mm | 70,000,000Cycles | |||
| CPG151101D218 | 线性 | 70±15gf | 1.1±0.4mm | 3.0±0.4mm | 50,000,000Cycles | |||
| CPG151101D219 | 线性 | 70±15gf | 1.1±0.4mm | 3.5±0.4mm | 50,000,000Cycles | |||
| CPG151101D220 | 有声段落 | 70±15gf | 1.1±0.4mm | 3.5±0.4mm | 50,000,000Cycles | |||
| CPG151101D234 | 有声段落 | 70±20gf | 1.2±0.5mm | 3.0±0.5mm | 50,000,000Cycles | |||
| CPG151101D215 | 有声段落 | 50±10gf | 1.1±0.4mm | 3.5±0.4mm | 70,000,000Cycles |





